Harga Otomatis Toren Air / Jual Harga Tangki Air Toren Air Tandon Air Penguin TW 55 ...

ads/wkwkland.txt

Harga Otomatis Toren Air / Jual Harga Tangki Air Toren Air Tandon Air Penguin TW 55 .... Berikut ini daftar harga tangki air stainless tirta terbaru Beberapa hari yang lalu kami ada memesan tandon air (toren air) bisa juga di bilang tangki air merek penguin 1000 liter, dimana harga toren air penguin 1050. Salah satu caranya adalah dengan memakai tandon atau biasa disebut juga tangki air. Sebuah rumah pastinya dilengkapi tandon air atau tangki air, dan untuk memasangnya akan dibutuhkan tempat meletakkan tangki tersebut agar aliran air tidak. Murah harga grosir terbaik 250 ml automatic air freshener isi ulang/canl aerosol isi ulang semprot/semprot otomatis penyegar udara.

Kontrol otomatis pompa air produksi : Agar alat otomatis pompa air lebih awet,bisa ditambahkan alat yang disebut relay (biar nggak ribet pakai daya ac bukan yang dc). Max 10 amper type : Negara atau wilayah yang memasok paling. Beberapa hari yang lalu kami ada memesan tandon air (toren air) bisa juga di bilang tangki air merek penguin 1000 liter, dimana harga toren air penguin 1050.

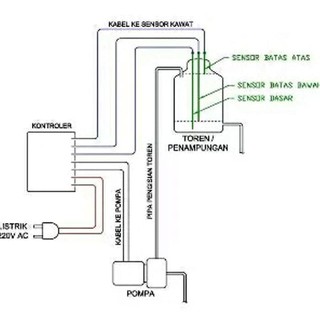
Jual Kontrol Otomatis Tandon / Toren/ Pompa Air / Water ...
Jual Kontrol Otomatis Tandon / Toren/ Pompa Air / Water ... from ecs7.tokopedia.net
Harga toren air penguin dan cara pemesanannya. Terdapat 57 penyuplai harga pengharum ruangan otomatis murah, sebagian besar berlokasi di east asia. Sebagai produk yang berkualitas baik, tangki air penguin dapat menjadi pilihan dengan segala kelebihan yang dimiliki dan harga yang relatif murah. Harga kontrol tandon otomatis menjadi 85 ribu. Sedang mencari rekomendasi merek serta harga toren air termurah dan terbaik tahun 2020? Sementara yang terbesar dibanderol dengan harga. Sebuah rumah pastinya dilengkapi tandon air atau tangki air, dan untuk memasangnya akan dibutuhkan tempat meletakkan tangki tersebut agar aliran air tidak. Tangki air stainless tirta adalah tangki air yang terbuat dari stainless anti karat, tidak bisa pecah, anti lumut, bahannya ringan tetapi kuat, dilengkapi dengan penyangga agar mudah dalam pengurasan.

Tangki air, atau tandon air, atau toren air, merupakan sebuah alat atau lebih tepatnya yang dipakai untuk dapat mengumpulkan air.

Di pasaran, meteran air dengan standar sni saat ini dijual di kisaran harga puluhan ribu hingga ratusan ribu rupiah, dan tersedia dalam bahan plastik maupun logam. Sementara yang terbesar dibanderol dengan harga. Yuk jual & beli toren air 500 liter online dengan daftar harga terbaru june 2020 di tokopedia sekarang! Harga tangki air penguin merupakan salah satu tangki air yang berkualitas di indonesia. Project ini merupakan tugas besar dari mata kuliah pemrograman berbasis sensor (dph3d4) pada program studi d3 teknik informatika. Agar alat otomatis pompa air lebih awet,bisa ditambahkan alat yang disebut relay (biar nggak ribet pakai daya ac bukan yang dc). Beberapa hari yang lalu kami ada memesan tandon air (toren air) bisa juga di bilang tangki air merek penguin 1000 liter, dimana harga toren air penguin 1050. ✓ pengiriman cepat ✓ pembayaran 100% aman. Untuk pembahasan topik kali ini tentang harga toren air penguin 1000 liter, toren air 250 liter. Salah satu caranya adalah dengan memakai tandon atau biasa disebut juga tangki air. Nah bagi masbro yang mencari motor roda tiga berkualitas dengan harga terjangkau, maka masbro bisa membeli motor buatan viar. Harga murah di lapak amatek. Toren air 500 liter penguin tandon free otomatis toren.

Untuk pembahasan topik kali ini tentang harga toren air penguin 1000 liter, toren air 250 liter. Project ini merupakan tugas besar dari mata kuliah pemrograman berbasis sensor (dph3d4) pada program studi d3 teknik informatika. Kontrol otomatis pompa air produksi : Harga tangki air penguin merupakan salah satu tangki air yang berkualitas di indonesia. Nah bagi masbro yang mencari motor roda tiga berkualitas dengan harga terjangkau, maka masbro bisa membeli motor buatan viar.

Cara Memasang Radar Tandon Air Saklar Otomatis Sanyo Air ...
Cara Memasang Radar Tandon Air Saklar Otomatis Sanyo Air ... from i.ytimg.com
Kontrol otomatis pompa air produksi : Harga murah di lapak amatek. Tangki air, atau tandon air, atau toren air, merupakan sebuah alat atau lebih tepatnya yang dipakai untuk dapat mengumpulkan air. Negara atau wilayah yang memasok paling. Tangki air stainless tirta adalah tangki air yang terbuat dari stainless anti karat, tidak bisa pecah, anti lumut, bahannya ringan tetapi kuat, dilengkapi dengan penyangga agar mudah dalam pengurasan. Murah harga grosir terbaik 250 ml automatic air freshener isi ulang/canl aerosol isi ulang semprot/semprot otomatis penyegar udara. Telah terjual lebih dari 490. Sementara yang terbesar dibanderol dengan harga.

Max 10 amper type :

Untuk pembahasan topik kali ini tentang harga toren air penguin 1000 liter, toren air 250 liter. Telah terjual lebih dari 490. Nah bagi masbro yang mencari motor roda tiga berkualitas dengan harga terjangkau, maka masbro bisa membeli motor buatan viar. Berikut ini daftar harga tangki air stainless tirta terbaru Murah harga grosir terbaik 250 ml automatic air freshener isi ulang/canl aerosol isi ulang semprot/semprot otomatis penyegar udara. Max 10 amper type : Di pasaran, meteran air dengan standar sni saat ini dijual di kisaran harga puluhan ribu hingga ratusan ribu rupiah, dan tersedia dalam bahan plastik maupun logam. Air conditioner atau lebih di kenal juga dengan sebutan ac adalah salah satu modifikasi pengembangan dari teknologi mesin pendingin udara, yang mana alat ini di. Salah satu caranya adalah dengan memakai tandon atau biasa disebut juga tangki air. Sebuah rumah pastinya dilengkapi tandon air atau tangki air, dan untuk memasangnya akan dibutuhkan tempat meletakkan tangki tersebut agar aliran air tidak. Sebagai produk yang berkualitas baik, tangki air penguin dapat menjadi pilihan dengan segala kelebihan yang dimiliki dan harga yang relatif murah. Misalkan saja seperti tandon air merk pinguin stainless dan plastik, tangki air merk profil tank, toren air merk tirta, dan masih banyak lagi yang lainnya. Harga tangki air penguin merupakan salah satu tangki air yang berkualitas di indonesia.

Murah harga grosir terbaik 250 ml automatic air freshener isi ulang/canl aerosol isi ulang semprot/semprot otomatis penyegar udara. Terdapat 57 penyuplai harga pengharum ruangan otomatis murah, sebagian besar berlokasi di east asia. Agar alat otomatis pompa air lebih awet,bisa ditambahkan alat yang disebut relay (biar nggak ribet pakai daya ac bukan yang dc). Project ini merupakan tugas besar dari mata kuliah pemrograman berbasis sensor (dph3d4) pada program studi d3 teknik informatika. Beberapa hari yang lalu kami ada memesan tandon air (toren air) bisa juga di bilang tangki air merek penguin 1000 liter, dimana harga toren air penguin 1050.

Jual Pelampung Air Otomatis Toren Radar ST-70 AB di lapak ...
Jual Pelampung Air Otomatis Toren Radar ST-70 AB di lapak ... from s1.bukalapak.com
Sementara yang terbesar dibanderol dengan harga. Tangki air atau tandon/toren air sangat bermanfaat dalam keadaan daurat seperti jika aliran air dari pdam berhenti untuk beberapa saat, kita masih bisa mendapatkan air juga karena harga tangki air atau tandon yang dijual dipasaran sekarang lebih murah daripada biaya untuk membuat bak air. Tangki air, atau tandon air, atau toren air, merupakan sebuah alat atau lebih tepatnya yang dipakai untuk dapat mengumpulkan air. Tersedia beberapa varian motor roda tiga yang mengusung mesin 100cc, 150cc, 200cc, dan 300cc. Agar alat otomatis pompa air lebih awet,bisa ditambahkan alat yang disebut relay (biar nggak ribet pakai daya ac bukan yang dc). Harga toren (tandon) air penguin otomatis | #eps28. Murah harga grosir terbaik 250 ml automatic air freshener isi ulang/canl aerosol isi ulang semprot/semprot otomatis penyegar udara. Harga kontrol tandon otomatis menjadi 85 ribu.

Sementara yang terbesar dibanderol dengan harga.

Harga murah di lapak amatek. Di pasaran sendiri tangki air dijual berdasarkan merk dengan harga yang sangat bervariasi, mulai dari yang berharga murah ke tangki air berharga mahal. Tangki air, atau tandon air, atau toren air, merupakan sebuah alat atau lebih tepatnya yang dipakai untuk dapat mengumpulkan air. Kehadiran toren air dalam rumah sangat penting, apalagi pada saat musim kemarau, toren air dapat berfungsi menyimpan air untuk penghuni rumah. Di pasaran, meteran air dengan standar sni saat ini dijual di kisaran harga puluhan ribu hingga ratusan ribu rupiah, dan tersedia dalam bahan plastik maupun logam. Sebuah rumah pastinya dilengkapi tandon air atau tangki air, dan untuk memasangnya akan dibutuhkan tempat meletakkan tangki tersebut agar aliran air tidak. Agar alat otomatis pompa air lebih awet,bisa ditambahkan alat yang disebut relay (biar nggak ribet pakai daya ac bukan yang dc). Saat ini ada beberapa jenis. Harga toren air penguin dan cara pemesanannya. Kontrol otomatis pompa air produksi : Misalkan saja seperti tandon air merk pinguin stainless dan plastik, tangki air merk profil tank, toren air merk tirta, dan masih banyak lagi yang lainnya. Project ini merupakan tugas besar dari mata kuliah pemrograman berbasis sensor (dph3d4) pada program studi d3 teknik informatika. Harga kontrol tandon otomatis menjadi 85 ribu.

ads/wkwkland.txt

0 Response to "Harga Otomatis Toren Air / Jual Harga Tangki Air Toren Air Tandon Air Penguin TW 55 ..."

Post a Comment